«И всем в этой истории хорошо: Yanaha по-прежнему экономит на каждом подобном блоке (ибо унификация решений) несколько центов, зарабатывая свои миллионы долларов на снижении себестоимости производства и поставках запчастей по совсем не розничным ценам, а сервисные центры зарабатывают свой гешефт на негаратийных ремонтах.»
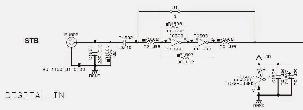
Вот так выглядит схема цифрового коаксиального входа у Yamaha YHT-S401. И все бы ничего, но...
Мы видим, что входной разделительный конденсатор (C1602) 10,0 мкФ имеет рабочее напряжением всего 10 В. Как и C1601, впрочем. Впрочем, на микротоках это, как говорят, не страшно даже для SMD. Но, но... Учитывая то, что гальванической развязки по входу нет – это может быть чревато и отказами при случайном попадании на центральный контакт потенциала 110 В с корпуса незаземленной бытовой аппаратуры (разъемы RCA, к несчастью, имеют более длинный центральный контакт, что этому весьма способствует; в т.ч. поэтому в профессиональной радиоаппаратуре используются байонетные разъемы, т.к. у них контакт «масса» всегда подключается раньше сигнального центрального контакта, утопленного в разъем). И R1601 на массу тут уже не поможет. А еще из схемы Yamaha YHT-S401 оказался исключен (не используется/no_use) регенератор сигнала (триггер Шмитта) на IC603, но к обсуждаемой теме это уже не относится.
Мы видим, что входной разделительный конденсатор (C1602) 10,0 мкФ имеет рабочее напряжением всего 10 В. Как и C1601, впрочем. Впрочем, на микротоках это, как говорят, не страшно даже для SMD. Но, но... Учитывая то, что гальванической развязки по входу нет – это может быть чревато и отказами при случайном попадании на центральный контакт потенциала 110 В с корпуса незаземленной бытовой аппаратуры (разъемы RCA, к несчастью, имеют более длинный центральный контакт, что этому весьма способствует; в т.ч. поэтому в профессиональной радиоаппаратуре используются байонетные разъемы, т.к. у них контакт «масса» всегда подключается раньше сигнального центрального контакта, утопленного в разъем). И R1601 на массу тут уже не поможет. А еще из схемы Yamaha YHT-S401 оказался исключен (не используется/no_use) регенератор сигнала (триггер Шмитта) на IC603, но к обсуждаемой теме это уже не относится.
И дальше – на вход микросхемы-коммутатора, обслуживающей цифровые интерфейсы-входы.
В общем, огорчений тут видим пока два: это отсутствие гальванической развязки и низкий вольтаж конденсаторов на входе Yamaha YHT-S401.
Переходим к даташиту на коммутатор цифровых входов (SANYO).
Это иллюстративная схема, с упрощениями.
Смотрим даташит дальше (теперь от ON Semiconductor). Оппаньки, встретилось нечто очень важное. Это – токоограничительные резисторы на входе, от 470 кОм и выше. Которые ограничивают ток через встроенные диоды, защищающие вход микросхемы от перенапряжений. Это уже серьезно, т.к. предотвращается выход входа из строя из-за теплового пробоя (перегрузки по току) встроенных защитных диодов.
Это типовая схема реализации коаксиального входа от ON-Semi.
Резюме. Фактически, Yamaha в своем ресивере-сабвуфере от YHT-S401 почти повторила типовую схему включения коаксиального входа из даташита к LC89058WD-E, слегка изменив номиналы Ri и Ci, и намеренно выбросив токоограничительные резисторы защиты входа. Иными словами, схемотехники компании Yamaha остановившись на иллюстративном варианте (Не, ну вы чё? Он же нарисован в даташите от SANYO, значит он тоже годный!). На фоне этого бардака рассуждать о том, что тут «следовало бы сделать трансформаторный вход», уже излишне: японская экономика должна быть экономной!
В моем случае инцидент с отказом S/PDIF (у Yamaha YHT-S401 он называется STB) был признан не гарантийным. И pizdets, не оспаривается. Причина отказа: случайное касание штекером RCA – тем самым торчащим центральным контактом, будь он неладен, – корпуса компьютера, находящегося под потенциалом 110 В. После чего вход STB (S/PDIF Coaxial) проработал еще пару дней – и окончательно помер. Цена вопроса (негарантийного ремонта) – почти 4 тысячи рублей (микросхема 500 руб (при розничной цене $2), собственно ремонт $100). И всем-то в этой истории
Вот только потребителю по-прежнему
ps. Ну а в будущем (по истечению гарантии) я, видимо, все-таки сделаю своей Yamaha YHT-S401 т.н. «твик» входных цепей коаксиального входа S/PDIF (STB) – вставлю туда широкополосный блок трансформаторного входа, с приемником-регенератором и супрессором.








Аппарат ждет в сервисе поставку заказанной микросхемы.
ОтветитьУдалитьУже месяц.
Отлично обстоят дела у Ямахи с негарантийной поддержкой.
Привез Ямаху. Подключил. Звука НЕТ. Прогнал тесты сервисного меню – Ок. Стал смотреть подробно. Коаксиал есть, Радио есть, оптики и hdmi нет (в смысле звука, оптику не видит). В сервисном меню увидел, что проц не видит контента по hdmi. Завтра опять повезу. Надоело.
ОтветитьУдалитьВ общем, добыл я из Ямахи аж 3 кода ошибки. Касаются CEC (а это hdmi) и оптики. Ну и заодно выяснил, что DTS HD MA оно берет (некомпрессированный поток), как и PCM. Что-то в сервисе недонастроили (видать, чинщики-паяльники понадеялись, что просто замены чипа и ресета будет достаточно). Отправил им список этих кодов.
ОтветитьУдалитьКак интересно. Сервис подтвердил, что меняли именно PCM9211PTR. Причем к сервис-мануалу нет никаких дополнений о данной модернизации.
ОтветитьУдалитьИзменения наконец-то вышли.
ОтветитьУдалитьЗавершение истории http://trengtor.blogspot.ru/2015/05/blog-post_22.html
ОтветитьУдалить